|
 Product Links 
|
|

Inside SRI

|
| SRI-Newsletter |
 |
Subscribe to our newsletter to receive monthly specials, manufacturer's feature, and electronics news via email. |
|
|
|
See Our latest release of SRI-Newsletter here
|
|
View Our List of Archived Newsletter Articles
|
|

SRI Links

|
|
Visit our Sister Site,
 Distributor of Industrial Products
| |
|
Web Search .. Powered by;
|
|
 |
 |
R25 Series
10 Amp, SPDT Epoxy Sealed Power Relay
 |
Features
Epoxy sealed for wave soldering & cleaningUpright package typeSuitable for 5mm grid patternImmersion proof
|

Electrical Characteristics
Contact
Rating Resistive Load: 16 Amp @ 250/440 VAC 10 Amp @ 250/440 VAC
Contact Material: AgCdO
Coil
Coil Voltages: See Chart
Pick-up Voltages: 80% of rated voltage
Drop-out Voltage: 10% of rated voltage
Resistance: See Chart
Nominal Power: See Chart
Operational Characteristics
Timing Value: Operate Time: Approx 8 mS Release Time: Approx 5 mS Max Switching Rate: 20 operations per second
Insulation Characteristics
Dielectric Strength: Contact to Coil: 4000 VRMS Across Open Contacts: 1000 VRMS
Environmental Characteristics
Operating: -40°C to +70°C
Mechanical Life: 30 x 106 operations min
Weight
Std: 18 grams - approx.
Back to Top

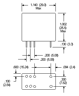
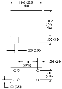
Dimensional Drawings
D39a
D39b
Contact Arrangment
SPST NO, 1 Form "A"
 |
SPDT, 1 Form "C"
 |
DPDT, 2 Form "C"
 |
Back to Top

Part Numbers
Back to Top
|
**Specifications subject to changes**
[Go to Search] [Back]
|
|
|
|