|
 Product Links 
|
|

Inside SRI

|
| SRI-Newsletter |
 |
Subscribe to our newsletter to receive monthly specials, manufacturer's feature, and electronics news via email. |
|
|
|
See Our latest release of SRI-Newsletter here
|
|
View Our List of Archived Newsletter Articles
|
|

SRI Links

|
|
Visit our Sister Site,
 Distributor of Industrial Products
| |
|
Web Search .. Powered by;
|
|
 |
 |
|
 |
 |
R12 Series
General Purpose, 1 Amp, 3 Amp & 5 Amp, DPDT, 3PDT & 4PDT AC & DC Relays
 |
Features
Slightly larger than one cubic inchSee-thru plastic cover
Plug-in or solder terminalPC board mount (P-suffix)
Indicator lamp types (N-suffix)
Hermetically sealed, metal enclosure types (H-suffix)
Push-to-test button types (B-suffix)
Bifurcated contact type (T-suffix)
High reliability, 50 million operations
RED indicates new device
|

Electrical Characteristics
Contact
Contact Rating: 5 Amp @ 240VAC/28VDC, 3 Amp @ 240VAC/28VDC, 1 Amp @ 240VAC/28VDC
Contact Material: Silver cad-oxide, Silver w/gold flashing (T-type ONLY)
Contact Resistance: 100 milliohms max. @ 6VDC, 1A
Coil
Coil Voltages: See Chart
Pick-up Voltages:
80% of nominal or less for AC
75% of nominal or less for DC
Resistance: See chart
Min Sensitivity: 500mW DC .75 volt Amps (60Hz)
Duty Cycle: Continuous
Operational Characteristics
Timing Values (At nominal coil voltage):
Operate Time: 25mS or less
Release Time: 25mS or less
Insulation Characteristics
Dielectric Strength:
Contact to Coil: 1500 VRMS (50/60Hz)
Across Open Contacts: 1000 VRMS (50/60Hz)
Coil to Frame: 1500 VRMS (50/60Hz)
Insulation Resistance: 100 megohms Min @ 500VDC
Environmental Characteristics
Operating: -30°C to +55°C
Weight
Std: 1.5 ozs. (45 grams) - approx
Back to Top

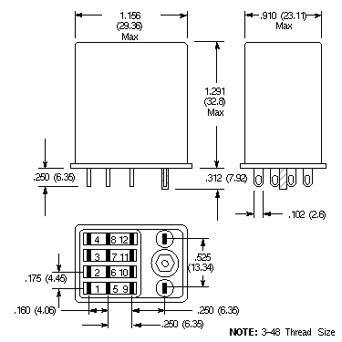
Dimensional Drawings
D22 D32
Back to Top
Contact Arrangment
(Viewed from Pin end of Plug)
DPDT, 2 Form "C"
 |
3PDT, 3 Form "C"
 |
4PDT, 4 Form "C"
 |
Back to Top

Part Numbers
| ACCESSORIES |
| Mounting Styles |
Description |
NTE Type No. |
| Surface Mount |
14-Pin Blade |
R95-106A |
| Surface Mount |
8-Pin Blade |
R95-150 |
| Panel Mount |
14-Pin Blade |
R95-122 |
| Panel Mount |
8-Pin Blade |
R95-148 |
| PC Mount |
14-Pin Blade |
R95-107 |
| PC Mount |
8-Pin Blade |
R95-149 |
| DIN Rail Mount |
14-Pin Blade |
R95-117 |
Back to Top
|
**Specifications subject to changes**
[Go to Search] [Back]
|
|
|
|