Sunday, April 12, 2026     
     Serving the Electronic Industries for Over 33 Years
Potter & Brumfield Tyco  Relays & Socket Logo
Renata Lithium Button Coin Cells Batteries logo
nichifu Solderless Terminal & Connectors Logo
MPD battery-holders logo
     Electronic Components Distributor Logo                        
 Home
  |  View Account   |    Engineer's Corner    |  Contact Us  |  Cross Reference  |  Line Card  |  0 Item
Part Search
NTE Cross Ref. Search
Login
SRI Live Chat Help
call us email us contact us

Product Links

Inside SRI

About SRI
Contact Us
Careers
Link to Us!
Feedback

SRI-Newsletter
Subscribe to our newsletter to receive monthly specials, manufacturer's feature, and electronics news via email.

See Our latest release of SRI-Newsletter here

View Our List of Archived Newsletter Articles


SRI Links

Visit our Sister Site,

Distributor of

Industrial Products

  Web Search ..
  Powered by;

 Pin Receptacles
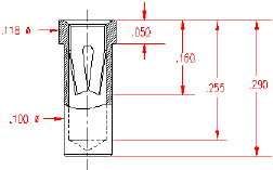
Pin Receptacles .040-.060 dia. Pins
 SPECIFICATIONS
Terminal Material: Brass Alloy 360, 1/2 Hard Contact Material: Beryllium Copper Alloy 172 HT
Tolerances:
   Lengths - ±.005
   Diameters - ±.002
   Angles - 2° Note: All dimensions are in inches
Part Builder and Ordering Information
                    
FP4084 -   XX xx -   XX
     
Series     Terminal
Plating
  Contact
Type
Contact
Plating
FP4084
FP4085
FP4086
FP4087
    01 - 200u" Tin over 100u"
Nickel
02 - 10u" Gold over 100u" Nickel
03 - 30u" Gold over 100u" Nickel
04 - 50u" Gold over 100u" Nickel
    41
42
See contact type
11 - 150u" Tin over 50u" Nickel
12 - 10u" Gold over 50u" Nickel
13 - 30u" Gold over 50u" Nickel
14 - 50u" Gold over 50u" Nickel
4085
4086
4087
4084

**Specifications subject to changes**
[Go to Search] [Back]