Sunday, April 5, 2026     
     Serving the Electronic Industries for Over 33 Years
Potter & Brumfield Tyco  Relays & Socket Logo
Renata Lithium Button Coin Cells Batteries logo
cyberpower Surge protectors & UPS logo
Littelfuse Fuses Logo
     Electronic Components Distributor Logo                        
 Home
  |  View Account   |    Engineer's Corner    |  Contact Us  |  Cross Reference  |  Line Card  |  0 Item
Part Search
NTE Cross Ref. Search
Login
SRI Live Chat Help
call us email us contact us

Product Links

Inside SRI

About SRI
Contact Us
Careers
Link to Us!
Feedback

SRI-Newsletter
Subscribe to our newsletter to receive monthly specials, manufacturer's feature, and electronics news via email.

See Our latest release of SRI-Newsletter here

View Our List of Archived Newsletter Articles


SRI Links

Visit our Sister Site,

Distributor of

Industrial Products

  Web Search ..
  Powered by;

 Pin Receptacles
Pin Receptacles for .015-.021 dia. Pins
 SPECIFICATIONS
Terminal Material: Brass Alloy 360, 1/2 Hard Contact Material: Beryllium Copper Alloy 172 HT
Tolerances:
   Lengths - ±.005
   Diameters - ±.002
   Angles - 2° Note: All dimensions are in inches
Part Builder and Ordering Information
                    
FP4000 -  X -   XX XX -   XX
     
Series Pin length
"A"
    Terminal
Plating
  Contact
Type
Contact
Plating
FP4000
FP4001
FP4002
FP4003
FP4004
FP4005
FP4006
FP4007
FP4008
FP4010
FP4011
FP4012
FP4013
FP4015
FP4016
FP4017
Check
Drawing
Below
    01 - 200u" Tin over 100u"
Nickel
02 - 10u" Gold over 100u" Nickel
03 - 30u" Gold over 100u" Nickel
04 - 50u" Gold over 100u" Nickel
    30
32
33
See contact type
11 - 150u" Tin over 50u" Nickel
12 - 10u" Gold over 50u" Nickel
13 - 30u" Gold over 50u" Nickel
14 - 50u" Gold over 50u" Nickel
4000



.036 Min. Mtg. Hole

4001


.040 Min. Mtg. Hole
4002


.040 Min. Mtg. Hole
4003


.040 Min. Mtg. Hole

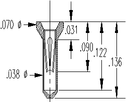
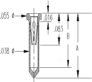
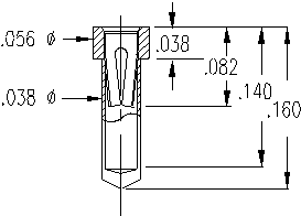
4004

P/N      A    B
----------------

4004-1 .136 .120
----------------
4004-2 .170 .150

.040 Min. Mtg. Hole

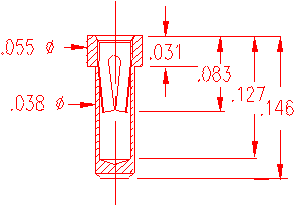
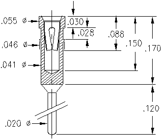
4006


.040 Min. Mtg. Hole
4005

P/N      A    B
----------------
4005-1 .140 .124
----------------
4005-2 .170 .154
----------------
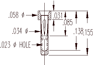
4005-3 .245 .229

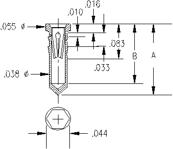
Hex Press-fit in .041 ±.002 Mtg. Hole
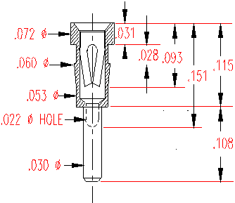
4007

P/N      A
-----------
4007-1 .083
-----------
4007-2 .138

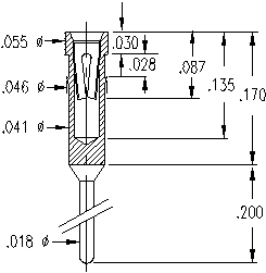
.039 Min. Mtg. Hole
4008


.041 Min. Drill Mtg. Hole

P/N        A
----------------
4008-1  .060
4008-2  .125
4008-3  .180
4008-4  .275
4008-5  .400
4008-6  .440
4010

.041 Min. Mtg. Hole
4011

.043 Min. Mtg. Hole
4012

.043 Min. Mtg. Hole
4013


.057 Min. Mtg. Hole
4014

.057 Min. Mtg. Hole
4016

.057 Min. Mtg. Hole
4017

Surface Mount Pin

**Specifications subject to changes**
[Go to Search] [Back]